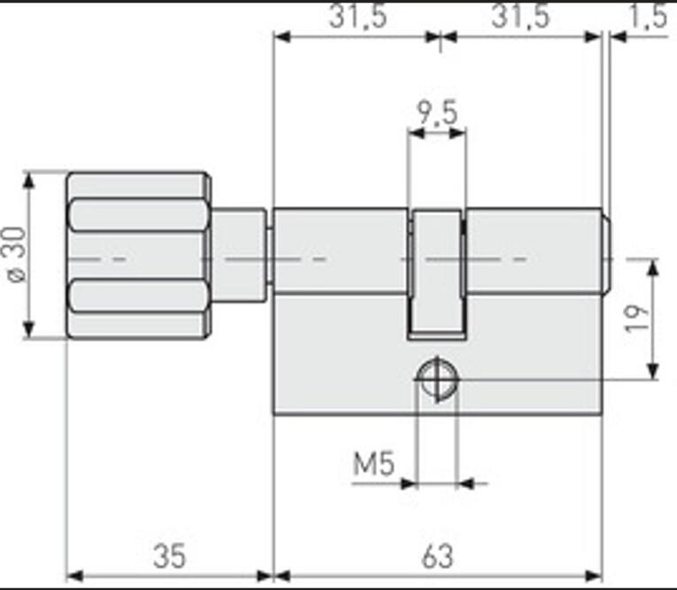
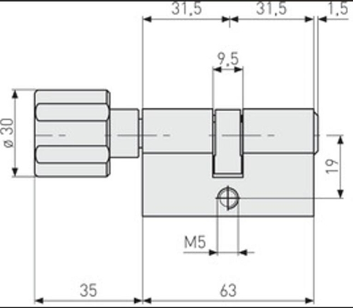
ABUS GDS Dobbelt profilcylinder med Knop

Model/varenr.: AB96270
Fra: ABUS
Stregkode: 4003318962707
Pris fra
366,25  m/Moms
( 293,00  u/Moms )
Lager: Ikke på lager Ikke på lager

Dobbelt profil Cylinder med Knop

Bemærk Standart er 32,5 på begge sider af midten

SIKKERHED OG KOMFORT KOMBINERET Dørcylinderen GDS fås i forskellige længder og udførelser, men alle varianter har én ting til fælles: De sikrer hoveddøre og lejlighedsdøre pålideligt. Dørcylinder GDS fås som dobbelt- eller halvcylinder eller med knop afhængigt af den tilsigtede anvendelse. Den dobbelte cylinder er udstyret med en nødfunktion. Hvis du har ladet en nøgle sidde i døren indvendigt, er dette ikke længere et problem. For takket være nødfunktionen kan døren stadig åbnes udefra. Du slipper for at skulle ringe til en låsesmed i en nødsituation. Varianten af GDS med knop kan betjenes udefra med en klassisk nøgle, mens der er en drejeknap på indersiden af døren. Halvcylindre kan kun låses op og låses fra én side, og derfor egner de sig f.eks. til garageporte. Fælles for alle varianter af GDS er det høje sikkerhedsniveau. Det sørger boresikringen for, som afviser angreb på cylinderen på den bedst mulige måde. De skårne nøgler giver endnu mere komfort, da de gør det nemmere at kopiere erstatningsnøgler.

Overholder DIN EN 1303, DIN 18252, ISO 9001:2008

Kan kombineres enslukkende med ABUS ovale cylindre, postkassecylindre og hængelås 83/45 samt alle RUKO VT Cylindre